

GKYWG-50雷達液位計也叫雷達物位計,是河北光科測控設備有限公司設計研發生產的智能非接觸式液位測量設備,發射功率分為26G、80G、120G等多種頻率。傳感器發出高頻脈沖在設備空間以光速傳播,當脈沖遇到物料表面時反射回來被儀表內的接收器接收,并將距離信號轉化為物位信號,從而達到準確測量目的。GKYWG-50雷達液位計具有便捷的安裝方式和標準的通信接口:4~20mA/HART、RS485與PLC、DCS通訊;該產品還具有防爆和本安兩種安全形式,可廣泛應用于石油、化工、食品、水處理等行業的液位、料位、距離的連續測量。
可以選配平均溫度計實現多點溫度測量
80G毫米波模塊化設計,量程大、盲區小
80G小束波角<3°,安裝條件寬松
可適用于三層攪拌儲罐及有蒸汽的過程儲罐
智能識別系統對儲罐的結構讀取識別,達到輕松避障
體積小、重量輕、非接觸測量安裝便捷
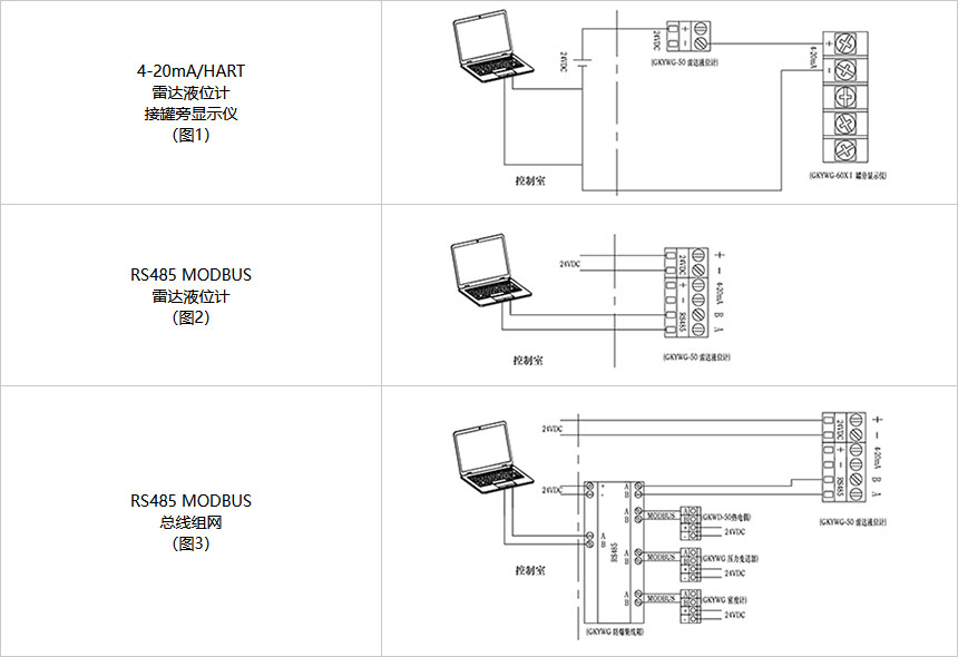
輸出信號4-20mA/HART RS485 MODBUS通訊
設計可配套罐旁顯示儀、多點溫度計實現多參數測量罐下顯示
高強穿透性適合有粉塵及蒸汽的儲罐
低功耗設計,8V電壓即可讓雷達液位計投入正常工作
多協議定制,可代替進口儀表
尤其適用于原油、重油和高粘度化工產品,有惰性氣體及揮發性氣體等介質的準確測量
1、鋼鐵行業:如煤焦化(備煤倉、焦倉、煤氣柜、煤焦油及粗苯罐)、燒結廠(燒結料混合倉、冷返礦、球團倉)
2、煉鐵廠(煉鐵中間倉、高爐料位等)等料倉的料位檢測
3、煤炭行業:原煤倉、粉煤倉、煤矸石倉儲料位、洗煤池等料倉的料位檢測
4、水泥行業:包括原料庫、生料均化庫、熟料庫、成品庫、粉煤灰倉、原煤倉、石膏庫、水泥渣倉
5、電力行業物料過程存儲物位檢測,如火電廠的原煤倉、粉煤倉及干灰庫中料位的檢測
6、有色冶金行業、制鋁、制鎳、制鋅、制鈦行業:(制鋁)礦漿槽、溶出槽、閃蒸釜、溶出后槽、絮凝槽、沉降槽、分解槽、氧化鋁粉倉
7、化工行業:如石油化工、煤焦化工、電石化工等料倉的料位檢測
8、食品醫藥行業、環保及水處理行業、半導體行業等



安裝要求:一般采用標準法蘭安裝到罐頂,也可采用旁通管安裝,導波管安裝等多種方式。高頻雷達放置在罐體直徑的1/4或1/6處,距罐壁不小于200mm,26G天線伸入到罐里至少10mm;測量錐形罐體,應安裝在錐形罐體平面的中間,保證可以測量到錐形頂部;測量有堆料的罐體,法蘭選型應選擇萬向法蘭(可調節方向)。
注意事項:雷達液位計不能安裝在進出料口處,拱形、圓形罐不要將儀表安裝在頂部中心,避免多次強波反射;避免安裝在有很強渦流的地方。如有攪拌或很強的化學反應等,建議采用導波管或旁通管安裝方式;導波管安裝時要注意內壁一定要光滑,下面開口的導波管必須達到需要的底部液位。導波雷達液位計應保證探極線在管內位置相對穩定,必要時對探極線加支撐拉直。



上一篇:GKYWG-57磁性液位計
下一篇:GKYWG-58磁致伸縮液位計
冀公網安備 13040202000874號 冀ICP備18023072號-3
